欢迎光临寻材问料网!
当前位置:社区 >材质 >前沿新材料 >石墨烯

前沿新材料

-石墨烯

+关注

总共 1659 精华 15 今日发帖:0

  • 0
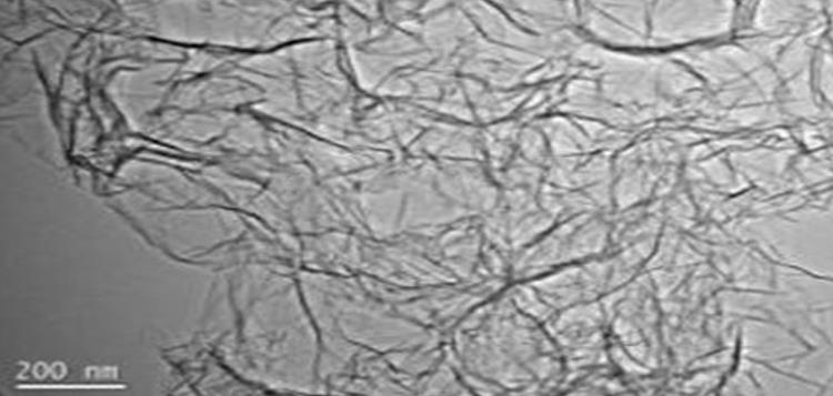
    半导体光催化剂在学术界和工业界获得了广泛关注。半导体光催化剂的光谱吸收范围和电子传输是影响光催化活性的两大关键因素。为了探索催化材料对光催化性能的影响,湖南大学物理与微电子科学学院鲁兵安副教授的研究团队采用了一种简单、低成本的静电纺丝方法大规模制备出多孔的WO3/石墨烯纳米纤维复合薄膜材料,所制备的复合薄...
    老夫子 2015-08-26更新 顶 (6) 踩(0) 回复(0)阅读(677)
  • 0
    石墨烯可以对光产生不同寻常的反应,在室温和普通光照射下,就可以发生热载流子效应,产生电流。这一发现不仅为石墨烯再添新奇属性,更有希望使其在太阳能电池、夜视系统、天文望远镜及半导体传感器等应用领域发挥作用。热载流子效应并不新奇,但通常情况下,需要在接近绝对零度或在极强的激光照射下才会发生,但石墨烯却表现...
    宮非- 志阳科技 2015-08-26更新 顶 (6) 踩(0) 回复(0)阅读(292)
  • 0
    恰似你的温柔 2015-08-26更新 顶 (6) 踩(0) 回复(0)阅读(291)
  • 0
    本产品为蜂窝状结构,具有性能优异,特别在超级电容器方面,具有较高的电容性能。此外,本产品还可以应用为导热材料的填料剂。能够一次性提供大量产品。石墨烯热膨胀物JCTEG-1-5ItemDataEC>1000s/mBET300m2/g300°C Specific capacitance(water)285F/g300°C Specific capacitance(ionic liguid)125F/g900°...
    二哈 2015-08-26更新 顶 (6) 踩(0) 回复(0)阅读(243)
  • 0
    科技日报讯 十年前,人们首次分离出了世界最薄、最强的材料石墨烯,对它进行了上百种用途的实验,包括电池、夜视镜、医学扫描设备、光探测器甚至避孕套。直到今天,这种材料仍不断带给我们惊喜。在最近出版的《自然》和《科学》杂志上,英国和美国科学家分别发表新论文,一篇指出石墨烯虽然不透水,却能让质子通过,因此有可...
    诺一 2015-08-26更新 顶 (6) 踩(0) 回复(0)阅读(216)
  • 0
    石墨烯是近年来研究较多的一种新型材料,具有良好的导电性能和倍率性能,将其应用于锂离子电池负极材料中,可以大幅度提高负极材料的电容量和大倍率充放电性能。纯石墨烯材料由于首次循环库仑效率低、充放电平台较高以及循环稳定性较差,并不能取代目前商用的碳材料直接作为锂离子电池负极材料使用。但石墨烯可以作为一种优异...
    诺一 2015-08-26更新 顶 (6) 踩(0) 回复(0)阅读(176)
  • 0
    美国与德国的物理学家陸續发现石墨烯具有不同于其他材料的分数量子霍尔效应(fractional quantum Hall effect, FQHE)。这项发现对于研究相对论性粒子之间的关联性相当重要,甚至可能协助未来量子计算机的发展。石墨烯中的量子霍尔效应与一般的量子霍尔行为大不相同,为量子反常霍尔效应(unusual Quantum Hall Effect)。(注﹕...
    宮非- 志阳科技 2015-08-26更新 顶 (6) 踩(0) 回复(0)阅读(326)
  • 1
    石墨烯量子点JCGD-1.2-15n-W 由于该产品浓度为15mg/ml,在测试荧光和紫外时需要稀释在1mg/ml,在激发波长为365nm时,发蓝光。浓度1~15mg/ml片径15nm厚度0.5~1.5nm层数1层
    二哈 2015-08-26更新 顶 (6) 踩(0) 回复(1)阅读(599)
  • 0
    科学家首次制造出Stanene。图片来源:《自然—材料》两年前,物理学家曾预测锡应该能够形成仅有一个原子厚的网格,如今研究人员表示他们终于制出了这种材料。这种薄膜被称为Stanene,研究人员在8月3日出版的《自然—材料》上报告了这一成果。但是他们尚未能证实这种新材料是否像预期的那样具有让理论学家激动的奇异电子特性,...
    七个芒果多少钱 2015-08-26更新 顶 (6) 踩(0) 回复(0)阅读(201)
  • 0
    石墨烯具有高理论比表面(2630 m 2 g −1),优异电子导电性,卓越的物理和化学稳定性,是理想的电化学电极材料,在超级电容器,锂离子电池和电催化等领域具有广泛的应用前景。相比零维的导电碳颗粒和一维碳纳米管等,石墨烯具有更好的二维以及三维的空间连续性,能更好与电化学活性物质作用,降低电化学电极的内阻,从而更好...
    老夫子 2015-08-26更新 顶 (6) 踩(0) 回复(0)阅读(276)
  • 0
    整个石墨烯应用技术应该都已经跟其它材料有所连接了,而我最后想去挑战的材料是如何把石墨烯与稀土合成起来。有这个念头应该是很早就有了,2013年我刚接触石墨烯产业到苏州去推广,那时候谈到安徽明光的凹凸棒可以用来做阻绝材料,2014年拜访江西铜业知道他们除了铜以外还生产稀土,到 2014年与安徽某合金电缆厂讨论技术时才...
    宮非- 志阳科技 2015-08-26更新 顶 (6) 踩(0) 回复(0)阅读(259)
  • 0
    在石墨烯应用技术蓝图大致匡列以后,我想也该是一个个探讨其学理的时刻了。第一篇我们来谈论「导电机理」。在没有开始介绍相关机理前,我必须先说明我先前的背景是机械科系,由于学习过程的顺序性,自然会依不同角度来解读相关理论。举例而言,在导电这个区块我最早认识的都是「材料」背景的学者,他们会从共价键的角度来解读...
    宮非- 志阳科技 2015-08-26更新 顶 (6) 踩(1) 回复(0)阅读(280)
  • 0
    单层MOS2 粉末 ModeLayer numberRatioDiameter纳小尺寸单层二硫化钼JCMS-95-1-150n19520~500nmWS2单层二硫化钼JCMS-95-1-21950.1~4µmWS2少层二硫化钼JCMS-95-5-51~10950.2~10µm溶液均为PH=11~12的LiOH水溶液(碱性溶液起到稳定作用),浓度可以按照客户的要求定制,粉末是溶液经过透析后冷干样品为实际质量。溶液的...
    二哈 2015-08-26更新 顶 (6) 踩(0) 回复(0)阅读(668)
  • 0
    )南开大学19日透露,该校教授陈永胜、田建国的联合科研团队通过3年研究,获得一种特殊的石墨烯材料。该材料可在包括太阳光在内的各种光源照射下驱动飞行,其获得的驱动力是传统光压的千倍以上。该研究成果令“光动”飞行成为可能。空间飞行器是人类探索宇宙的重要工具,而动力源问题一直羁绊着人类无法走得更远。目前,几乎所...
    喵星人 2015-08-26更新 顶 (6) 踩(0) 回复(0)阅读(214)
  • 0
    一群国家和国际级的研究人员已证明石墨烯(Graphene)可用于芯片上可见光源的灯丝。该团队将以石墨烯制成的小丝状物连接金属电极,并悬挂在基板上,再让电流通过石墨烯丝状物。“我们已开发出世界上最薄的灯泡!”纽约哥伦比亚大学(Columbia University)工程学院教授James Hone说,这种新型的“宽频”光发射器可以整合到芯...
    七个芒果多少钱 2015-08-26更新 顶 (6) 踩(0) 回复(0)阅读(213)
  • 0
    一支由法、美、德三国研究机构和大学组成的国际研究团队近日利用新方法合成了高质量石墨烯纳米带,并成功在室温下验证了其非凡的导电性能。这种纳米带为新型电子设备的研发开创了新的发展空间。相关研究刊登在《自然》杂志网站。 石墨烯是一种由单层碳原子组成的材料,拥有众多极为特殊的物理特性,室温下电子在石墨烯材料中...
    颜文字君 2015-08-26更新 顶 (6) 踩(0) 回复(0)阅读(204)
  • 0
    锡烯结构图 二维材料家族再迎“小鲜肉”一枚。美国科学家近日表示,他们研制出了石墨烯的表亲——锡原子组成的二维网状物“锡烯”(Stanene)。理论预测称,这种材料或能100%导电,研究人员希望尽快证实其优异的电学属性。不过也有人指出,还需要实验进一步证实新材料确为锡烯。2004年石墨烯的横空出世,引发了科学家们对二维...
    材料小虫 2015-08-26更新 顶 (6) 踩(0) 回复(0)阅读(219)
  • 0
    二维材料家族再迎“小鲜肉”一枚。美国科学家近日表示,他们研制出了石墨烯的表亲——锡原子组成的二维网状物“锡烯”(Stanene)。 理论预测称,这种材料或能100%导电,研究人员希望尽快证实其优异的电学属性。不过也有人指出,还需要实验进一步证实新材料确为锡烯。 锡烯结构图2004年石墨烯的横...
    七个芒果多少钱 2015-08-26更新 顶 (6) 踩(0) 回复(0)阅读(276)
  • 0
    不经一事不长一智。花了两个月才悬崖勒马断然终止了与黑龙江某地级市的合作案,原本看来是个亟想企业转型的殷实企业家,但终究是露出了马脚想要染指志阳在石墨烯的领先技术。我想他可能还不知道为何一夕之间全盘尽墨,我知道他公司的员工也会关注我的文章,我还是在此说出他太急了,原本就不是这个领域的外行人,以为花钱就可...
    宮非- 志阳科技 2015-08-26更新 顶 (6) 踩(0) 回复(0)阅读(250)
  • 0
    各位看官以为我们就这点本事,那你就错了,这一年半我接听多少电话要求提供粉末,自己先探讨论文及专利怎么进行?分析该提供怎么的材料组合?看到测试数据反复讨论多少次?才能在这里大方地分享我们的成果,我再加码写个十篇。最近在深圳举办多场石墨烯论坛,我的朋友反应给我说还是在制备工艺及少部分尚未取代市售商品的应用...
    宮非- 志阳科技 2015-08-26更新 顶 (6) 踩(0) 回复(0)阅读(321)
4 5 6 7 8 9 10 11 12 13 共13页 转到第
400-7755-899